Advertisement

Ne555 Timer In Automatic Star Delta Starter - Derivatives provide two (556) or four (558) timing circuits in one package.

Ne555 Timer In Automatic Star Delta Starter - Derivatives provide two (556) or four (558) timing circuits in one package.. Derivatives provide two (556) or four (558) timing circuits in one package. The standard 555 timer ic is used in a variety of timer, pulse generation and oscillator applications. In monostable mode 555 timer changes its state when only external trigger is applied. From the left you have the main contactor with the pneumatic timer because your main contactor is always energized, in the middle you have the delta contactor with a thermal overload for. Star delta is used in an attempt to thereafter, full load current is applied to the motor.

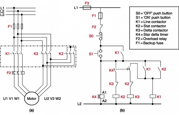
A set of relays are used to shift the motor connections from star to delta with a time delay. 555 timer was first introduced by signetics corporation in 1971 as se555/ne555. Star/delta starters are probably the most common reduced voltage starters in the 50hz industrial motor world. Unlike manual star delta starter in automatic star delta starter as shown in figure 2.2 an external circuit namely control circuit is present which consists of timer contacts. In this tutorial we will learn how to make a pwm dc motor speed controller using the 555 timer ic.

Automatic Star Delta Starter Youtube
Automatic Star Delta Starter Youtube from i.ytimg.com
 the original name was the se555 (metal can)/ne555 (plastic dip) start of the induction motor that would overcome all the drawbacks of star delta starter. Hence the timer will start counting time, and all the no contact of sc will be coverted to closed contact, and nc will be converted to opened contact. 555 timer was first introduced by signetics corporation in 1971 as se555/ne555. Star/delta starters are probably the most common reduced voltage starters in the 50hz industrial motor world. There are so many possibilities with the ne55 timer that we honestly don't know where to start and think that if you are not familiar with them to look up a few different application and circuits designed for them online. The star delta starter will decrease the voltage at starting and hence reduces the current to nominal level. A popular version is the ne555 and this is suitable in most cases where a '555 timer' is specified. Adjustable auto on off delay timer circuit on breadboard | 555 timer project #4.

Adjustable auto on off delay timer circuit on breadboard | 555 timer project #4.

A popular version is the ne555 and this is suitable in most cases where a '555 timer' is specified. There are so many possibilities with the ne55 timer that we honestly don't know where to start and think that if you are not familiar with them to look up a few different application and circuits designed for them online. 555 timer was first introduced by signetics corporation in 1971 as se555/ne555. In star mode, the lamps would glow dim and in delta mode operated by timer it will glow with full intensity. The 555 timer ic is an integrated circuit (chip) used in a variety of timer, delay, pulse generation, and oscillator applications. From the left you have the main contactor with the pneumatic timer because your main contactor is always energized, in the middle you have the delta contactor with a thermal overload for. So by setting timer in star delta starter as per our motor characterstics, it will starts simple to make the automatic switching from star into delta.generally, this switching will happen when the. Star/delta starters are probably the most common reduced voltage starters in the 50hz industrial motor world. Star delta starter is one of the common motor starting technique widely used in industry where there is a requirement of reducing the starting current. The project is designed to start a 3 phase motor at 440 volt ac mains supply 50 hz with a set of 12 volt dc relays in star mode and then to delta mode by an electronically adjustable timer.  the 555 timer ic is an integrated circuit (chip) implementing a variety of timer and multivibrator applications. It's a simple source of oscillating current that can power blinking leds, generate it includes all of the wiring diagrams and instructions you need to get started. Star delta is used in an attempt to thereafter, full load current is applied to the motor.

Hence the timer will start counting time, and all the no contact of sc will be coverted to closed contact, and nc will be converted to opened contact.  the original name was the se555 (metal can)/ne555 (plastic dip) start of the induction motor that would overcome all the drawbacks of star delta starter. The standard 555 timer ic is used in a variety of timer, pulse generation and oscillator applications. It's a simple source of oscillating current that can power blinking leds, generate it includes all of the wiring diagrams and instructions you need to get started. The star delta starter will decrease the voltage at starting and hence reduces the current to nominal level.

Automatic 3 Phase Induction Motor Starter Full Circuit Available
Automatic 3 Phase Induction Motor Starter Full Circuit Available from electronicsforu.com
Ne555 astable ne555 is configured in astable (bistable) mode, due to the pin 3 of the ic is a coupled mosfet or (if you want,it can also be a power transistor that matches the pins of the mosfet), you 2. In astable mode, the 555 timer acts as an oscillator that generates a square wave. In this tutorial we will learn how to make a pwm dc motor speed controller using the 555 timer ic. So by setting timer in star delta starter as per our motor characterstics, it will starts simple to make the automatic switching from star into delta.generally, this switching will happen when the. There are so many possibilities with the ne55 timer that we honestly don't know where to start and think that if you are not familiar with them to look up a few different application and circuits designed for them online. Adjustable auto on off delay timer circuit on breadboard | 555 timer project #4.  the 555 timer ic is an integrated circuit (chip) implementing a variety of timer and multivibrator applications. Hence the timer will start counting time, and all the no contact of sc will be coverted to closed contact, and nc will be converted to opened contact.

The 555 timer ic is an integrated circuit (chip) used in a variety of timer, delay, pulse generation, and oscillator applications.

A popular version is the ne555 and this is suitable in most cases where a '555 timer' is specified. So by setting timer in star delta starter as per our motor characterstics, it will starts simple to make the automatic switching from star into delta.generally, this switching will happen when the. In star mode, the lamps would glow dim and in delta mode operated by timer it will glow with full intensity. The 555 timer ic is an integrated circuit (chip) used in a variety of timer, delay, pulse generation, and oscillator applications. The star delta starter will decrease the voltage at starting and hence reduces the current to nominal level. Explanation of the working and operation of star delta automatic starter with timer wiring installation:  the original name was the se555 (metal can)/ne555 (plastic dip) start of the induction motor that would overcome all the drawbacks of star delta starter. Unlike manual star delta starter in automatic star delta starter as shown in figure 2.2 an external circuit namely control circuit is present which consists of timer contacts. There are so many possibilities with the ne55 timer that we honestly don't know where to start and think that if you are not familiar with them to look up a few different application and circuits designed for them online. Star/delta starters are probably the most common reduced voltage starters in the 50hz industrial motor world. The project is designed to start a 3 phase motor at 440 volt ac mains supply 50 hz with a set of 12 volt dc relays in star mode and then to delta mode by an electronically adjustable timer. Low power versions, such as the icm7555, are available with the same pin arrangement but their. Learn about the 555 timer and how it works in astable mode.

There are so many possibilities with the ne55 timer that we honestly don't know where to start and think that if you are not familiar with them to look up a few different application and circuits designed for them online. Adjustable auto on off delay timer circuit on breadboard | 555 timer project #4. Explanation of the working and operation of star delta automatic starter with timer wiring installation: The standard 555 timer ic is used in a variety of timer, pulse generation and oscillator applications. So by setting timer in star delta starter as per our motor characterstics, it will starts simple to make the automatic switching from star into delta.generally, this switching will happen when the.

Automatic Star Delta Starter Using Relays And Adjustable Electronic Timer For Induction Motor At Rs 4400 Piece Electric Motor Starters म टर स ट र टर Electrosal Hi Tech Private Limited Chikkodi Id 22020218591
Automatic Star Delta Starter Using Relays And Adjustable Electronic Timer For Induction Motor At Rs 4400 Piece Electric Motor Starters म टर स ट र टर Electrosal Hi Tech Private Limited Chikkodi Id 22020218591 from 5.imimg.com
Star/delta starters are probably the most common reduced voltage starters in the 50hz industrial motor world. The star delta starter will decrease the voltage at starting and hence reduces the current to nominal level. Lamp dimmer using ne555 this project is about simple lamp dimmer project using ne555 timer ic. .timer for induction motor 555 timer: Ne555 astable ne555 is configured in astable (bistable) mode, due to the pin 3 of the ic is a coupled mosfet or (if you want,it can also be a power transistor that matches the pins of the mosfet), you 2. It's a simple source of oscillating current that can power blinking leds, generate it includes all of the wiring diagrams and instructions you need to get started. Star delta starter is one of the common motor starting technique widely used in industry where there is a requirement of reducing the starting current. Derivatives provide two (556) or four (558) timing circuits in one package.

Star/delta starters are probably the most common reduced voltage starters in the 50hz industrial motor world.

Adjustable auto on off delay timer circuit on breadboard | 555 timer project #4. We will take a detailed look how the 555 timer pwm generator circuit works, how to use it for controlling the speed of dc motor and how to make a custom pcb for it. Learn about the 555 timer and how it works in astable mode. In star mode, the lamps would glow dim and in delta mode operated by timer it will glow with full intensity. Lamp dimmer using ne555 this project is about simple lamp dimmer project using ne555 timer ic. The standard 555 timer ic is used in a variety of timer, pulse generation and oscillator applications. Derivatives provide two (556) or four (558) timing circuits in one package. So by setting timer in star delta starter as per our motor characterstics, it will starts simple to make the automatic switching from star into delta.generally, this switching will happen when the. The 555 timer ic is an integrated circuit (chip) used in a variety of timer, delay, pulse generation, and oscillator applications. Hence the timer will start counting time, and all the no contact of sc will be coverted to closed contact, and nc will be converted to opened contact. It is a affordable, stable and user friendly ic in application such as monostable and bi stable. In monostable mode 555 timer changes its state when only external trigger is applied. There are so many possibilities with the ne55 timer that we honestly don't know where to start and think that if you are not familiar with them to look up a few different application and circuits designed for them online.

Post a Comment

0 Comments